Autor: Nistela Villaseñor
Vía Conacyt Prensa | Octubre 20, 2015
La necesidad de contar con nuevas alternativas de energía, sin costo por mantenimiento y con bajo impacto ambiental, en las que el cemento sirva como adhesivo o cementante capaz de ofrecer otras funciones como la generación de luminiscencia, dio pie a la creación de un cemento emisor de luz diseñado por José Carlos Rubio Ávalos, investigador de la Sección de Innovación Tecnológica en Materiales de la Facultad de Ingeniería Civil de la Universidad Michoacana de San Nicolás de Hidalgo (UMSNH).
Rubio Ávalos comentó en entrevista a la Agencia Informativa Conacyt que a partir de esta innovación, empresas europeas están tomando la base y referencia científica y tecnológica para nuevos desarrollos en la misma dirección de energía, que además han empezado a patentar y comercializar principalmente en Europa.
El cemento convencional, dijo el investigador, generalmente pasa desapercibido aunque forma parte del entorno. Sus ventas son indicadores de la economía de un país, está en todas partes del mundo y es considerado el material más utilizado por el ser humano después del agua. México es uno de los principales productores mundiales por su contribución de cemento para la construcción de casas, edificios, puentes, carreteras, hospitales, hoteles, presas para agua, etcétera.
Rubio Ávalos es doctor en Ciencias con especialidad en Materiales por el Centro de Investigación y de Estudios Avanzados (Cinvestav) del Instituto Politécnico Nacional (IPN) unidad Querétaro y es miembro nivel I del Sistema Nacional de Investigadores (SNI).

Agencia Informativa Conacyt (AIC): ¿Cómo surge la creación del cemento emisor de luz?
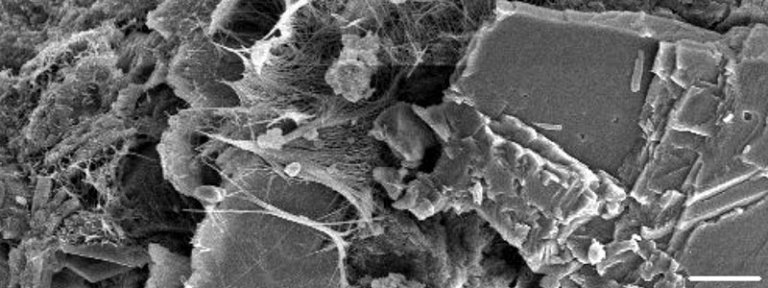
José Carlos Rubio Ávalos (JCRA): El cemento comercial técnicamente se conoce como cemento Portland, está constituido básicamente por un gel de silicato de calcio hidratado, cristales de cal y agujas de sulfoaluminatos cálcicos dispersas como redes. Lo anterior genera que los cuerpos o solidos elaborados con este tipo de cemento sean opacos o que la luz no pueda ser transmitida al interior de la pasta de cemento.
Por otro lado, existen en el comercio plásticos fosforescentes, los encontramos en relojes, señalamientos viales y de seguridad, juguetes, artículos de decoración, etcétera. La fosforescencia o fotoluminiscencia es un fenómeno físico que algunos materiales tienen y que básicamente sigue las etapas siguientes: El material absorbe la energía o luz (solar o artificial); de dicho espectro de luz solo nos interesa la luz ultravioleta, esta provoca en los pequeños cristales que se embeben en los plásticos que sus electrones tengan un cambio en su nivel energético; posteriormente, una vez retirada la fuente de energía (luz), los electrones vuelven a su estado de menor energía, en ese salto se libera la energía acumulada o absorbida en forma de fotones o luz que, dependiendo de la composición química de esos cristales, puede ser azul, amarilla, verde, naranja, etcétera.
Lamentablemente, la misma fuente de energía (rayos ultravioleta) que produce la fosforescencia o fotoluminiscencia, también destruye y daña los plásticos rompiendo o promoviendo la ruptura de las cadenas de polímeros que constituyen esos plásticos. Obviamente se han usado por años los polímeros orgánicos o plásticos sintéticos debido a que para que exista este fenómeno de fosforescencia se requiere que la luz sea transmitida al interior del sólido y llegue a los cristales y, posteriormente, la luz producida por los cristales sea emitida al exterior, y por ello las resinas transparentes o semitransparentes son las utilizadas comercialmente y su durabilidad está limitada a la exposición o radiación solar y la composición de las mismas.

Por lo tanto, si uno piensa en inventar un cemento fosforescente o cemento emisor de luz, tiene que enfrentar los retos de hacer un cambio en la microestructura del cemento mismo, para que permita el paso de la luz a su interior y, posteriormente, la luz generada en el interior del cemento salga al exterior. El reto mayor es que no se deben utilizar polímeros sintéticos o resinas orgánicas porque debemos crear nuevos materiales y nuevos productos sin afectar el medio ambiente y, por otro lado, debe resistir la radiación ultravioleta sin deteriorarse. La solución fue encontrada en la química inorgánica: producir un cemento con propiedades ópticas diferentes permitiendo la transmisión y reflexión de la luz.
AIC: ¿Específicamente cómo se obtiene el cemento emisor de luz?
JCRA: Se obtiene por un proceso de policondensación, es como fundir azúcar y obtener un caramelo, pero de materias primas como sílice (arena de río), desechos industriales (industria acerera, por ejemplo), álcalis (hidróxidos de sodio o potasio) y agua. El proceso se realiza a temperatura ambiente y no requiere hornos o altos consumos de energía y, por lo tanto, la contaminación por su elaboración es baja comparada con el cemento Portland tradicional y los plásticos sintéticos.
El mayor logro como científicos mexicanos fue nuestra aportación al mundo de que los cementos geopoliméricos, en los que se basa la tecnología, pueden ser utilizados como materiales funcionales y no solo como adhesivos. Actualmente contamos con otros productos patentados que amplían la información, pero no se han realizado publicaciones correspondientes por nuestro interés de proteger los resultados de investigación como lo hemos venido realizando hasta el día de hoy.
La originalidad de la investigación e innovación a nivel internacional dio lugar a que el Instituto Mexicano de la Propiedad Industrial (IMPI) otorgara la patente de invención a la Universidad Michoacana de San Nicolás de Hidalgo, la cual está disponible para su transferencia y comercialización para las empresas del sector interesadas.
AIC: ¿Para qué sirve un cemento con estas características?
JCRA: Las aplicaciones son muy amplias, dentro de las que más destacan están el mercado arquitectónico: fachadas, piscinas, baños, cocinas, estacionamientos, etcétera; en la seguridad vial y señalamientos; en el sector de generación de energía, como plataformas petroleras; y en cualquier lugar que se desee iluminar o marcar espacios que no tengan acceso a instalaciones eléctricas, dado que no requiere un sistema de distribución eléctrica y se recarga solo con la luz. La durabilidad del cemento emisor de luz se estima mayor a los 100 años por su naturaleza inorgánica, y es fácilmente reciclable por sus componentes materiales.
AIC: ¿Cuál es el proceso por el que el cemento emite la luz?
JCRA: Primero cargándose con luz natural o artificial y posteriormente, en la oscuridad, emitiendo esa luz. La emisión de luz puede llegar a las 12 horas (toda la noche) cargado el cemento previamente por un periodo similar (durante el día).

AIC: ¿Quiénes serán los principales beneficiarios de esta nueva tecnología en materiales?
JCRA: El cemento emisor de luz puede ser útil para cualquier sector que desee utilizarlo para generar espacios iluminados con energía totalmente sustentable y sin costos de mantenimiento o generación una vez que sea instalado.
AIC: ¿Qué institución financió el proyecto y quiénes participaron en él?
JCRA: La investigación fue realizada con financiamiento de la UMSNH a través de la Coordinación de la Investigación Científica, con una inversión aproximada de 50 mil pesos. El equipo de trabajo fue coordinado por su servidor, en colaboración con la doctora Elia Mercedes Alonso Guzmán, el maestro Wilfrido Martínez Molina y el doctor Fernando Velasco Ávalos.
Imágenes: ArchDaily y Conacyt Prensa
Creemos en tu trabajo y opinión, por eso lo difundimos con créditos; si no estás de acuerdo, por favor contáctanos.
Artistas de Arttextum relacionados:


